鏈條聯軸器_鏈條規格 鏈條型號
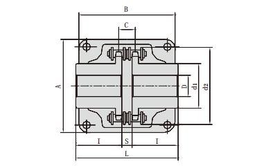
鏈條聯軸器,是由一段雙排鏈條和一對聯軸器鏈輪組成,通過鏈條來聯接和拆卸。該類鏈條聯軸器結構緊湊、扭矩傳遞大、可靠性強、安全、而且外形美觀大方、安裝簡單、易對中。鏈條聯軸器適合于很多場合的聯接使用。
鏈條聯軸器主要型號與鏈條型號主要有:孔徑,尺寸,慣量,重量,罩殼尺寸,罩殼重量
C-3012/06B-2X12、C-4012/40-2X12、C-4014/40-2X14
C-4016/40-2X16
C-5014/50-2X14、C-5016/50-2X16、C-5018/50-2X18
C-6018/60-2X18、C-6020/60-2X20、C-6022/60-2X22、C-8018/80-2X18、C-8020/80-2X20、C-8022/80-2X22
C-10020/100-2X20
C-12018/120-2X18、C-12022/120-2X22
鏈條規格(492)鏈條型號(210)鏈條聯軸器(1)